Follow Us:
Call Us: +91 9711408978

About Us

Market Leader And Growing Engineering Organization

We at Innosec Systems shall be a market leader and growing engineering organization dedicated to excellence through quality, creating value for customers, employees through innovation technology and operational expertise. We are a Certified Professionals driven company at our core with an overriding commitment to quality and our primary measures of success are customers’ satisfaction and shareholders value.

14

Years of
Experience

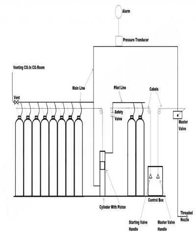
Fire Fighting Equipment

Fire Alarm System

Wireless Smoke Detector

Access Control System

Wireless Alarm System

Email us

innosecsystems@gmail.com

Call us

+91 9711408978

OUR MISSION

We at Innosec Systems shall be a market leader and growing engineering organization dedicated to excellence through quality, creating value for customers, employees through innovation technology and operational expertise. We are a Certified Professionals driven company at our core with an overriding commitment to quality and our primary measures of success are customers’ satisfaction and shareholders value. It is our strategic vision to conduct business with highest standard of ethics as we always believe “Honesty and Integrity are cornerstones of Innosec Culture” .

OUR VISION

Customer satisfaction is the highest priority. The company will make every effort to deliver the highest quality products and services in business. The company will develop new strategies and plans based on customer driven philosophy for gaining competitive advantage, needed to meet the business objectives. Customers and employees input will be actively sought and strategically used for continuous improvement of quality and to fulfill ongoing customer needs. Strive to deal with our customers in an open and transparent manner. Continual improvement of “Processes, products, services and people” will be the norm in our business. Provide employees an environment, opportunity for growth and a safe healthy work environment that is conducive to consistent peak performance Encourage employees to pursue training and development opportunity. Implement several environmental sensitive technologies to reduce pollution and restore ecological balance around us. Strive to provide best and advanced national & international certified product range and Internationally Certified Professionals.

14

Years Experience

25

Team Members

292

Happy Clients

805

Projects Done

Our Trusted & Valuable Customers


Client 1
Client 2
Client 3
Client 4
Client 5
Client 6
Client 7
Client 8
Client 9
Client 10
Client 11
Client 12
Client 13
Client 14
Client 15
Client 16
Client 17
Client 18
Client 19

Why Choosing Us!

Few Reasons Why People Choosing Us!

Innosec Systems, New Delhi, is a top electronic security provider with 15+ years of experience, offering quality fire safety and access control solutions across India. We specialize in manufacturing and trading high-quality Fire Fighting Equipment, Fire Alarm Systems, Access Control Systems, and more, serving both corporate and government clients.

Experienced Workers

Our team consists of highly skilled professionals with over 15 years of experience in the electronic security industry, ensuring reliable service and expert solutions for every project.

Reliable Industrial Services

We deliver dependable and efficient electronic security and fire safety solutions tailored to meet the rigorous demands of industrial, corporate, and government sectors.

24/7 Customer Support

We offer round-the-clock customer support to ensure your security systems run smoothly and any issues are resolved promptly—anytime, anywhere.

Our Trending Products

See What We Have Completed Recently

Our Team

Dedicated Team Members

Ajay Kumar Singh
CEO & Founder
Priya Singh
CO-Founder

Testimonial

What Our Clients Say!